Loading...
Sinu kliendihaldur:
+372 651 9319
tellimine@kgk.ee
Hind:
Hind KM-ga
Hind KM-ta
ET
EN
Open
Kategooriad
Close
Sõiduauto varuosad
Lisavarustus
Veoauto ja buss
Paadivarustus
Mootorratas
Karavan
Keemiatooted
Töökoja tarvikud
Tööriistad
Töökoja varustus
Tarvikud
Universaalsed tooted
LED valgustus
Päikeseenergia lahendused
KAMPAANIAD
Vaata kõiki tulemusi ...
Otsing
Otsing
Vaata kõiki tulemusi ...
Otsing
Hiljutised otsingud
Vaata kõiki tulemusi ...
Otsi
Registreeri
Logi sisse
Sign in
Kasutajanimi:
Parool:
Mäleta mind?
Unustasite parooli?
Logi sisse
Ei ole äriklient?
Registreeri
Lisa pakkumusele:
Sisesta uue pakkumuse nimi.
Salvesta
Tuvasta sõiduk registri- või VIN koodi järgi:
või
Otsi sõidukit nimekirjast
Hiljutised
Sõiduauto
Kaubik
Veok
Mootorratas
Põllumajandusmasin
K-tüüp
Mootori kood
VIN kood
Registreerimismärk
Sulge
Tulemusi ei leitud.
Tulemusi ei leitud.
Tulemusi ei leitud.
Tulemusi ei leitud.
Tulemusi ei leitud.
Tulemusi ei leitud.
Tulemusi ei leitud.
Loading...
Normosad/kulumaterjal
Kaabel/kaitsmed/paigaldus
Lüliti (elektromehaaniline)
Lüliti
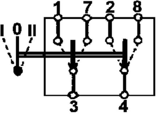
Lüliti I-0-II 24V,8A
S-511-054
Lisa soovinimekirja
Saada sõbrale
Lüliti I-0-II 24V,8A
Jaehind:
12,30 €
Tarneaeg:
Tellimisel
Tehnilised andmed
Failid
Ristviited
HaynesPro
Samaväärsed tooted
Sobivus
Tehnilised andmed
Üldine
Hankija kaubanumber
S 511 054
Päritoluriigi tähis
Prantsusmaa
Mõõtmed
Netokaal [kg]
0,05 kg
Brutokaal [kg]
0
Failid
Ristviited
Hankija
Kood
Kommentaar
S 511 054
HaynesPro
Selle jaotise kasutamiseks on vaja hankida HaynesPro litsents
Samaväärsed tooted
Samaväärsed tooted puuduvad.
Sobivus
Kogused kõikides ladudes
Kuva ainult kogustega ladusid